
● 产品特点
中文液晶显示,人性化按键和菜单设计,符合现场调试特点,便于操作。
装置体积小,功耗低,可安装于目前市场上所有类型的低压抽屉柜内。
集全面的电动机数字保护、电量测量、启停控制、运行状态监视、远方参数设置、保护动作记录、及模拟量输出(选配)与一体。
具有tE时间保护,适用于增安型电动机保护,符合有关增安型防爆电动机过载保护规程(GB3836.3-2000)。
具有晃电自启动功能,可实现电机的分批再启动(非标配)。
具有启停控制功能,支持直接启动、软启动。电动机的启停操作可通过面板、就地开入、远方开入及通讯等方式实现。
超小型化设计,一体式结构,可直接安装于各种抽屉柜内。
配备专用小型穿芯式电流互感器(200A以下),对于小功率电动机可节省成本。
3路开关量输入监测、具有29个SOE事件记录功能,包括事件类型、动作发生时间,事件记录可通讯上传,便于故障分析事件原因。
3路继电器智能化控制输出,实现保护控制接触器输出、跳断路器输出。
具有远方通讯功能,采用RS-485接口和标准MODBUS规约,可以将测控信息、开关量状态和变位信息、保护动作信号、SOE事件内容、保护定值参数等上传至后台监控主机,构成电机控制中心,实现远方的集中管理和监控。
● 主要功能

● 产品选型

● 性能指标
额定参数
测量电压:380V~660V(直接测量),~100V(PT测量)。
测量电流: 1~900A。
额定频率:50Hz。
工作电源:AC/DC220V,AC/DC110V。
主要技术指标
精度:保护电流测量误差不超过±1%;电压测量误差不超过±2%;有功功率、无功功率测量误差不超过±3%;功率因数误差不超过±1﹪;频率误差不超过±0.02Hz。
延时整定误差:延时整定为0s时,误差不超过100ms;延时整定大于0s小于2s 时,误差不超过±25ms;延时整定大于2s 时,误差不超过时间整定的±5%。
出口接点容量:AC250V,8A。
4~20mA驱动负荷:≤ 500欧姆纯阻性负荷。
功耗
工作电源最大功耗 ≤ 5W。
环境要求
大气压力:80kPa~110kPa(海拔2000M以下)。
相对湿度:5% ~ 95%
运行温度:-20℃~+55℃。
工作环境:没有导致金属或绝缘损坏的腐蚀性气体及较严重的尘埃和霉菌,无火灾爆炸危险的物质。
● 外置电流互感器典型规格

● 产品尺寸图及开孔

● 背板端子图

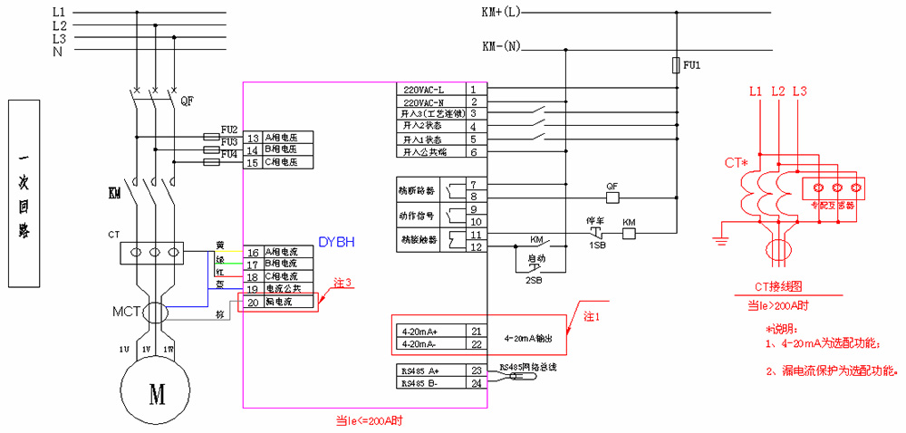
● 典型接线图
